在高速數字視頻系統應用中,使用大容量存儲器實現數據緩存是一個必不可少的環節。SDRAM就是經常用到的一種存儲器
在高速數字視頻系統應用中,使用大容量存儲器實現數據緩存是一個必不可少的環節。SDRAM就是經常用到的一種存儲器。
但是,在主芯片與SDRAM之間產生的時序抖動問題阻礙了產品的大規模生產。在數字電視接收機的生產實際應用中,不同廠家的PCB板布線、PCB材料和時鐘頻率的不同,及SDRAM型號和器件一致性不同等原因,都會帶來解碼主芯片與SDRAM間訪問時序的抖動問題。
本文利用C-NOVA公司數字電視MPEG-2解碼芯片AVIA9700內置的SDRAM控制器所提供的時序補償機制,設計了一個方便使用的內存時序測試軟件工具,利用這個工具,開發測試人員可在以AVIA9700為解碼器的數字電視接收機設計和生產中進行快速診斷,并解決SDRAM的時序問題。
數字電視系統
SDRAM時序控制
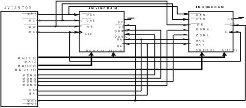
AVIA9700內集成了一個SDRAM控制器,該控制器提供一套完整的SDRAM接口。AVIA9700與SDRAM接口中的控制線、地址線和數據線都同步在MCLK時鐘上。圖1是用兩片16位SDRAM組合形成32位數據線的典型連接示意圖。

圖1 SDRAM與AVIA9700典型鏈接示意圖
SDRAM控制線
正確讀寫時序條件
AVIA9700解碼芯片訪問SDRAM的時序如圖2所示。
圖2 AVIA9700訪問SDRAM時序示意圖
要正確訪問SDRAM,建立時間和保持時間很關鍵。建立時間在觸發器采樣之前,在這段時間,數據必須保持有效的時間,否則會產生setup violation;保持時間在解發器開始采樣之后,數據必須保持有效的時間,否則會產生hold violation。因此,要正確讀寫SDRAM的時序條件,需要滿足以下兩個公式:
SDRAM_Setup_time_min < T_cycle-control_signal_valid_max-control_signal_Delay_max+ clock_delay_min (1)
SDRAM_Hold_time_min < control_signal_valid_min + control_signal_delay_min- clock_delay_m_ax (2)
這里,T_cycle 為SDRAM時鐘周期,Control signal valid為控制信號從時鐘上升沿到輸出有效時間,delay為布線所引起的延時。
對于低頻設計,線互連和板層的影響很小,可以不考慮。當頻率超過50MHz或信號上升時間Tr小于6倍傳輸線延時時,互連關系必須以傳輸線理論納入考慮之中,而在評定系統性能時也必須考慮PCB板材料的電參數。由于AVIA9700輸出時鐘信號MCLK工作在108MHz~148.5MHz之間,所以設計時必須考慮布線延時引起的SDRAM時序問題。
AVIA9700 SDRAM
時序控制機制
為了補償布線延時,滿足公式(1)和公式(2)的要求,AVIA9700的內置SDRAM控制器提供了兩個延時補償參數:
SDRAM_CLK_IN和SDRAM_CLK_OUT。這兩個參數都是8位的整數,可以提供不同的時鐘延時組合,解決各種復雜數字電視接收機系統中的SDRAM時序問題。
通過嵌入式應用軟件,開發人員可以調整SDRAM_CLK_IN的參數來控制讀入數據的時鐘延時。同樣,對SDRAM_CLK_OUT的設置也可以改變輸出時鐘的延時。通過設置SDRAM_CLK_OUT (OutTapSel=X)改變輸出的MCLK時鐘相位,補償各種不同的布線延時,可以解決高速數字電視系統的SDRAM時序問題。
在實際應用中,由于不同整機廠會采用不同廠家的SDRAM,PCB布線也會因為機器結構原因發生較大變化,時鐘工作頻率和選用器材的不一致性等,都會引起公式(1)、(2)中的參數發生變化。這些因素的組合,往往使布線延時問題變得復雜。
AVIA9700 SDRAM
時序診斷軟件及測試結果
為了方便開發人員快速解決問題,本文利用AVIA9700內置SDRAM控制器提供的時鐘延時補償機制,設計了一個診斷工具。
基于AVIA9700數字電視接收機,由于PCB、元器件、系統頻率都已經定型,影響布線延時的電氣特性已經固化。通過改變SDRAM_CLK_IN和SDRAM_CLK_OUT組合,設計人員可以測試不同組合下的SDRAM訪問錯誤率,根據錯誤率統計數據制成統計圖,如圖3所示。圖中縱坐標為SDRAM_CLK_IN,由于寄存器是8位,因此選取坐標取值范圍在0~255之間(28);橫坐標為SDRAM_CLK_OUT,取值范圍也在0~255之間。對該范圍內的某一點所對應的寄存器設置,診斷軟件都要自動重復10000次讀寫操作。設計人員可以利用最后生成的圖形,快速準確地選定SDRAM_CLK_IN和SDRAM_CLK _OUT的值,并將其固化在最終生產版本的軟件中。
圖3 SDRAM時序測試統計圖
這里,補償參數的選擇原則是,組合值需要在測試圖中無錯區域的中心,且距離邊界大于25。
結語
通過實驗發現,在高速數字系統設計中,通過SDRAM控制器來補償布線延時可以很好地解決SDRAM時序問題。
參考文獻
1. Howard Honson, Martin Graham. 高速數字設計[ M ] . 電子工業出版社. 2004
2. AVIA9700 datasheet C-NOVA, Inc. 2004
3. AVIA9700 programming guide C-Nova, Inc. 2004
-
近日,大唐東北電力試驗研究院自主創新研發的“移動式承載渦流磁飽和儀液壓升降小車”專利獲國家知識產權局授權。
-
如今,穩壓器已經成了用戶普遍使用的一種電源設備。應用廣泛了,出現的問題自然也多了。穩壓器發出噪音,是市面上眾多普通穩壓器品牌運行時比較常見的問題。很多運行故障都會體現在聲音上,穩壓器運行如有故障會產品極大的用電隱患,這是至關重要的。
-
炎炎夏季,空調如果打不開,不一定是空調自身的毛病,很有可能是電壓不穩產生的問題。
-
-
還記得能力君曾經給大家介紹過的“大白”嗎?“大白”能上天、能下水、能進隧道,是保護電網“健康”的機器人小伙伴。今天,帶大家認識一下山東電科院研發的機器人“五大名捕”,看看他們有什么獨門絕技
-
根據國家電網建設堅強電網戰略部署,將農網智能化作為試點工程,推動配電技術創新發展。今年7月,國家電網起草提出了規范智能配變終端的最新技術指標,到底最新指標的內容有哪些呢? 為加快配電網建設改造,推進轉型升級,國家能源局發布的《配電網建設改造行動計劃(2015—2020年)》,明確加大配電網資金投入,2015年至2020年,配電網建設改造投資不低于2萬億元
-
230多年前,英國人瓦特改良的蒸汽機加速了整個世界的運轉。此后的兩次工業革命,極大釋放了人的智能與力量,劇烈地改變了社會的方方面面
-
本文闡述了一種基于SIM100 GPRS無線數據傳輸模塊和LR100控制處理模塊的電力無線抄表系統解決方案。該方案通過GPRS網絡實現對電力抄表系統的數據傳輸和智能控制,并以GSM作為數據備用通道,解決了網絡的不穩定性導致的數據丟失或延時問題
-
本文介紹了電表的基本原理,以及精度對電表的重要性。介紹了一種可以避免竊電的解決方法
-
比特幣系統的底層核心技術--區塊鏈,作為一種去中心化(開放式、扁平化、平等性,不具備強制性的中心控制的系統結構)數據庫技術,近年來開始進入人們的視野。能源互聯網作為多種能源融合、信息物理融合、多元市場融合的“互聯網+”智慧能源產物,也受到學術界和工業界的廣泛關注
-
2020-10-07 00:00
-
2020-10-07 00:00
-
2020-10-10 00:00
-
2020-10-10 00:00
-
2020-10-10 00:00
-
2020-10-10 00:00
-
2020-10-02 00:00
-
2020-10-02 00:00
-
2020-10-02 00:00
-
2020-10-02 00:00
-
27日,工業和信息化部副部長劉烈宏在2020中國網絡媒體論壇開幕式上表示,“未來3年,5G仍將處于‘導入期’,需保持定力,穩扎穩打,促進5G成功商用。”。
2020-09-30 00:00 -
近日,中國財政部、工業和信息化部、科技部、國家發展改革委、國家能源局(下稱五部門)決定開展燃料電池汽車示范應用工作。
2020-09-23 00:00 -
9月16日,中國信息通信研究院在2020年國家網絡安全宣傳周上發布《中國網絡安全產業白皮書(2020年)》。白皮書指出,2019年我國網絡安全產業規模達到1563.59億元,較2018年增長17.1%,預計2020年產業規模約為1702億元。
2020-09-21 00:00 -
隨著“第四次工業革命”到來,數字經濟成為打開未來發展之門的鑰匙。5G、人工智能、工業互聯網、物聯網等“新基建”,將有助于推動我國經濟結構進一步轉型,實現高質量發展。
2020-05-22 00:00 -
2月17獲悉,鄭煤集團公司與大唐河南發電有限公司正式簽署框架協議,合作建設大唐三門峽電廠#6機組煤電一體化項目,聯手提高抗擊市場風險的能力,共同推進企業的良性發展。
2016-02-24 00:00 -
國際市場研究機構Technavio日前發布報告稱,2020-2024年,全球射頻電纜市場規模有望增長27億美元,期間復合年增率接近7%。從區域來看,2019年亞太地區是最大的射頻電纜區域市場。預計在預測期內,市場49%增長將來自亞太地區。中國和日本是該地區射頻電纜的主要市場。越來越多的寬帶用戶和對5G技術不斷投資將極大推動該地區的射頻電纜市場增長。整體而言,預測期內,亞太地區的市場增速將快于其他地區。
2020-05-26 00:00 -
近期,廣州嶺南電纜股份有限公司220kV高壓電纜超大截面2500mm2無鹵低煙阻燃電纜由技術研發部組織,在生產、物質、質量及設備部門的通力配合下,試制取得圓滿成功,并送國家防火建筑材料質量監督檢驗中心進行無鹵、低煙及A類阻燃等性能的檢測。
2016-05-10 00:00 -
今年的政府工作報告首次出現了“新基建”概念,“新基建”一頭連著巨大投資需求,一頭牽著不斷升級的消費市場。在這片培育新業態、激發新動能的沃土中,電網如何抓住新“基”遇?全國兩會的多位代表委員認為,“新基建”不僅在經濟社會運行中發揮著重要作用,未來還將成為推動電網高質量增長的新引擎。
2020-05-29 00:00 -
5月25日,全國新能源消納監測預警中心發布了2020年全國新增風電及光伏消納能力的公告。考慮到疫情影響,一季度數據不納入消納統計考核。
2020-05-27 00:00 -
據工信部網站消息,5月26日,工業和信息化部裝備工業一司、市場監管總局標準技術管理司以視頻會議方式,聯合組織召開《電動汽車安全要求》《電動客車安全要求》和《電動汽車用動力蓄電池安全要求》三項強制性國家標準宣貫會,介紹標準制定背景,解讀具體技術內容。
2020-06-01 00:00
-
為加快推進縣城城鎮化補短板強弱項工作,推進縣城公共服務設施提標擴面、環境衛生設施提級擴能、市政公用設施提擋升級、產業培育設施提質增效,適應農民日益增加的到縣城就業安家需求,充分發揮企業債券融資對縣城新型城鎮化建設的積極作用,近日國家發展改革委辦公廳印發《縣城新型城鎮化建設專項企業債券發行指引的通知》...,服務,2015年
2020-10-11 00:00 -
2020-10-11 00:00
-
2020-10-10 00:00
-
2020-10-10 00:00
-
2020-09-29 00:00
-
2020-09-28 00:00
-
2020-09-28 00:00
-
2020-09-27 00:00
-
2020-09-25 00:00
-
近日,騰訊公司與重慶兩江新區管委會分別就“騰訊云(重慶)工業互聯網基地”和“騰訊云(西南)數字經濟人才創新官方網站中心及騰訊云與智慧產業(重慶)研發中心”兩個項目簽署合作協議。騰訊云(重慶)工業互聯網基地是騰訊在西南地區落地的首個工業互聯網基地。騰訊云將攜云計算、大數據、物聯網、人工智能、區塊鏈、安...,互聯網,智能,工業,工業互聯網
2020-09-25 00:00
-
近日,青海省政協召開雙月協商座談會,對省政協確定的重點提案進行專題協商。
2017-09-25 13:27 -
日前,工信部發布《重點新材料首批次應用示范指導目錄(2017年版)》(以下簡稱《目錄》),其中有4項新材料涉足新能源領域,分別為高性能鋰電池隔膜、鎳鈷錳酸鋰三元材料、負極材料(硅碳負極)和高純晶體六氟磷酸鋰材料。
2017-09-22 14:45 -
一種小功率光伏并網逆變器的控制系統:DC/DC控制器的拓撲結構采用推挽式電路,是用芯片SG3525來控制的,該電路有效地防止了偏磁,DC/AC逆變器為全橋逆變電路,是用DSP來控制的,由于DSP的運算速度比較高,因此逆變器的輸出電流能夠很好地跟蹤電網電壓波形。該光伏并網逆變器控制方案的有效性在實驗室得到驗證
2017-09-20 04:12 -
對于家電維修人員來說,維修電源是必不可少的。可是,一臺專業維修電源是相當昂貴的,如果對該電源進行適當的改進,制作一臺物美價廉、使用方便、質量可靠的供維修、充電兩用的穩壓電源
2014-06-06 15:12 -
隨著電力電子技術的高速發展,電力電子設備與人們的工作、生活的關系日益密切,而電子設備都離不開可靠的電源,進入80年代計算機電源全面實現了開關電源化,率先完成計算機的電源換代,進入90年代開關電源相繼進入各種電子、電器設備領域,程控交換機、通訊、電子檢測設備電源、控制設備電源等都已廣泛地使用了開關電源,更促進了開關電源技術的迅速發展。 開關電源是利用現代電力電子技術,控制開關管開通和關斷的時間比率,維持穩定輸出電壓的一種電源,開關電源一般由脈沖寬度調制控制IC和MOSFET
2014-05-09 17:30 -
隨著電子技術的迅速發展,現代的電子設備已廣泛地應用于人類生活的各個領域。當前,電子設備已處于飛速發展的時期,并且這個發展過程仍以日益增長的速度持續著
2014-06-06 15:54 -
從應用領域來看,LED照明涵蓋住宅照明、工業照明、街道照明和餐廳、零售及服務業照明等不同類別。而從功率等級來看,除了低功率照明,也包括大功率區域照明,典型應用如柱燈、洗墻燈、外墻燈、隧道照明、街燈、停車場及公共安全照明、工業及零售照明等室外照明,以及低頂燈、高頂燈、凍柜/冰箱及停車庫等室內照明
2014-06-03 16:39 -
日前,致力于亞太地區市場的領先電子元器件分銷商——大聯大控股宣布,其旗下友尚推出基于FairchildFAN675665W的筆記本電腦電源解決方案。 大聯大控股友尚代理的Fairchild公司的FAN6756是采用創新mWSaver技術的新一代綠色模式PWM控制器,能夠顯著降低待機和空載功耗,符合滿足嚴苛的國際節能規范要求,包括強制要求工作模式下最低平均效率達到87%的能源之星(ENERGYSTAR)外部電源(ExternalPowerSupply
2014-06-06 15:40 -
分散式電采暖 在分散采暖領域中,目前主要的電能替代技術包含:碳晶采暖、發熱電纜采暖和電熱膜采暖等方式。 (1)碳晶電采暖 碳晶電采暖是近幾年新興的一種以電為能源、通過紅外線輻射傳熱的新型分散式采暖方式,其原理是:在電場的作用下,碳分子之間發生劇烈的摩擦和撞擊,產生的熱能以遠紅外輻射和對流的形式對外傳遞,其電能與熱能的轉換率高達98%以上
2015-02-24 02:02 -
去年12月,國內三大運營商分別拿到了4G牌照。宣告著通信電子行業迎來了新一輪的爆發
2014-06-05 16:14
-
斷路器是電力系統中擔負控制和保護雙重任務的重要開關設備之一,而操動機構是斷路器的重要組成部分,其性能的好壞將直接影響到斷路器工作性能與質量的優劣。 相關統計資料,操動機構故障占斷路器故障的70%左右
2013-07-26 18:04 -
一、真空斷路器工作原理 真空斷路器因其滅弧介質和滅弧后觸頭間隙的絕緣介質都是高真空而得名;其具有體積小、重量輕、適用于頻繁操作、滅弧不用檢修的優點,在配電網中應用較為普及。真空斷路器技術標準真空斷路器在我國近十年來得到了蓬勃的發展,至今方興未艾
2013-07-31 17:11 -
“對于高能耗用戶來講,中壓開關制造企業最核心的工作是全面了解用戶需求,在保證產品具有非常強可靠性的同時,主打模塊化概念以優化成本,用有效的低成本滿足用戶定制化的高端需求。”近日,施耐德電氣中國區能源事業部總裁徐紅艷接受記者采訪時說
2014-04-11 11:20 -
西門子開關N2泄露是我們在日常檢修工作中經常碰到的情況,了解它產生的原因對于消除此類缺陷非常有幫助。 1.故障現象: 1.1開關機構箱內K81繼電器動作 1.2監控后臺N2泄漏光字牌亮 1.3如果3小時內此信號不復歸開關將會總閉鎖(開關不能合閘、分閘、打壓) 2.原因分析: 2.1K15繼電器擊穿
2013-08-01 17:32 -
許多變電站采用綜合自動化的方式,變電站二次設備大多是微機保護和微機型自動裝置,它們以通信網絡技術為基礎,把各種繼電保護裝置及自動裝置與遠動裝置和調度端連接起來,使變電站實現高質量、高速度、高靈活性和低成本的生產管理。但由于變電站所處的特殊環境,使變電站內的二次設備受到各種各樣的干擾
2013-09-16 19:12 -
電源,用通常理解的話說:是一種可以為我們電子電器提供合適電壓,電流,波形與頻率的轉換裝置!比如:直流電源,可以理解為頻率為零,波形為直線的電源。交流電源,可以理解為電壓交替變換(正負在兩電極間轉換),有頻率,波形的電源!不管哪一種電源,我們都可以用微分積分數學把它在任一點時間內的值求解,且有唯一解!比如:方波,是有無數量級的正弦波組成,因此,方波可以分解為奇次諧波與牛次諧波!我們一般取值3次諧波就可以滿足要求!占功率最大部分是基波
2013-09-16 19:27 -
斷路器用戶都希望通過先進的斷路器設備保證電力系統的正常穩定運營,于是便熱烈希望在市場上找到或是由斷路器廠家研發生產出一流的斷路器產品。在斷路器應用當中,要做到個環節的實時交互,從而為系統的安全可靠運行作以保障,對于安裝應用以及維護中的問題都可以抓住細小環節深刻分析而達到應有的目的
2013-09-16 19:25 -
5月18日上午,在新疆與西北聯網二通道工程750千伏魚卡開關站內,青海電力科學試驗研究院工作人員正在進行800千伏GIS交流耐壓試驗,這個試驗是這項工程投運前的最后一次大型試驗。試驗的成功,為新疆與西北聯網二通道工程按期投運奠定了基礎
2013-07-26 17:23 -
摘要:開關柜運行過程中,絕緣材料會受到高溫、高壓、油污、化學物質、振動等各方面的作用,絕緣性能不斷惡化,加快了局部放電的速度,反過來局部放電又對絕緣的惡化起到推動作用。因此檢測開關柜的局部放電可以有效預防故障
2013-08-01 17:30 -
近年來,我國電力工業發展迅速,在強有力的產業政策扶持下,我國輸配電領域一批“國字號”重點工程紛紛上馬,為配電開關控制設備制造行業發展添加了前進的動力。2003年以來,我國配電開關控制設備制造行業銷售收入年復合增長率達到25%以上,發展勢頭迅猛,2012年銷售收入達到4674.90億元
2013-09-29 16:46
TOPS
-
日排行
/
-
周排行
/
- 原創
- 日排行 /
- 周排行 /
- 原創
MORE+ 電力要聞
-
2020年10月11日
-
2020年10月11日
-
2020年10月11日電力電量平衡的目標和方法
-
2020年10月11日為加強新能源汽車動力蓄電池梯次利用管理,提升資源綜合利用水平,保障梯次利用電池產品的質量,我們組織編制了《新能源汽車動力蓄電池梯次利用管理辦法》。現將征求意見稿向社會公開征求意見,如有意見或建議,請于2020年11月8日前反饋工業和信息化部節能與綜合利用司。
-
2020年10月11日山東電力現貨市場原定今年9月開展連續4個月的電力現貨結算試運行。但因今年5月第三次調電運行及試結算中,山東現貨試點在短短四天內即產生了近億元“不平衡資金”,在“電改圈”內引發高度關注推遲至今。(報道鏈接:不平衡資金逼停電改?評論丨取消電價“雙軌制”勢在必行)
登錄
注冊











